Tel: +44 (0)1908 374 022
Steel Channel Wheels - Flat Tread
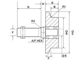
Brauer have been the first to incorporate into the Industrial wheels product group, Steel I-beam and channel wheel and axle assemblies specifically designed to run in and fit within standard sections of parallel steel I-beam and channel. These special steel flat tread wheels are specifically designed for the parallel profiles of beam section allowing smooth industrial wheel running. The special Brauer industrial wheel profile found in the SSFF range also mitigates wear and aides tracking charactoristics of the complete assemble. Brauer is the leader in this field of I-beam and channel industrial wheel technology. |
Other bore sizes and types available on request, including imperial
Country: change
United Kingdom





